大野公司生产的新型波纹型石油储罐阻火器(防爆阻火器)是完全引用日本同类产品的先进技术,并且按照中国国内实际情况而设计生产的更新换代产品,是石油储罐必备的安全设备。

特 点:
  1、结构合理、用材考究,重量轻、易检修、安全方便。
  2、阻火层采用不锈钢材料,耐腐蚀性强。
性 能:
  1、阻爆性能合格,连续几十次实验,每次都能阻火。
  2、耐烧性能合格,耐烧一小时无回火。
  3、水压实验合格,承受0.6MPa水压无泄露。
适用范围:
  1、新型石油储罐阻火器适用于储存闪点低于28°C的甲类油品和闪点低于60°C的乙类油品,如汽油、苯、甲苯、煤油、轻柴油、原油等油品的储罐。新型石油储罐阻火器可与呼吸阀配套使用,也可单独使用。
  2、内浮顶油罐的通气管口上。
  3、加油站的地下油罐的通气管口上。
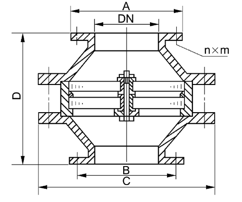
机构示意图及外形尺寸:
规 格
A
B
C
D
DN 50
Φ140
Φ110
Φ220
236
DN 80
Φ190
Φ150
Φ280
270
DN 100
Φ210
Φ170
Φ325
274
DN 150
Φ265
Φ225
Φ427
288
DN 200
Φ320
Φ280
Φ496
306
DN 250
Φ375
Φ335
Φ593
320
阻火器容量曲线图:
维护与保养:
  为了确保石油储罐阻火器的阻火性能达到安全使用的目的,应对阻火器进行定期检查。
  1、阻火器每半年至少检查一次,检查阻火层是否堵塞、变形、腐蚀等。
  2、被堵塞的阻火层应清洗干净,保证阻火层上的每个孔眼畅通。对于变形或腐蚀的阻火层应立即更换。
  3、重新安装阻火层时,应保证结合面严密,不的漏气。
  4、检查阻火层时不需要拆卸呼吸阀,如图所示,即可取出阻火层检查。
 
   
博亚体育app入口

COPYRIGHT © 2004 日本独资·博亚体育app入口 版权所有 苏ICP备05009106号

博亚体育app入口主要产品混合机_混合器_乳化机_搅拌机_分散机_阻火器_呼吸阀_输送机