过滤器,混合器-日本独资·博亚体育app入口!
HOME | EMAIL |  MAP
 
乳化机-博亚体育app入口产品展示
 
博亚体育app入口
博亚体育app入口
博亚体育app入口
博亚体育app入口
博亚体育app入口
博亚体育app入口
博亚体育app入口
博亚体育app入口
博亚体育app入口
 
     
  混合机_混合器_乳化机_过滤器_
星形给料阀

产品特性:


  博亚体育app入口的星形给料阀亦称为星形给料器、星形卸料阀、星形卸料器、旋转阀、星阀、关风机、回转阀、卸灰阀,博亚体育app入口的星形给料阀在多种场合中作均匀出料或均匀加料装置,用于混合机、锥形料仓、干燥机、旋风分离装置等。


主要特点:


*.通过压力密封发挥其优异性能
*.能定量供料
*.能提供50~750mm的各种标准、各种尺寸口径
*.对应各种尺寸的口径,可提供圆形和方形的法兰连接
*.PL标准型为齿轮电机驱动(也有链条驱动式),可选择调速
.经久耐用、性能出众
 .根据2万台以上销售实绩及经验,可以接洽特殊的设计要求



产品工作示意图:

博亚体育app入口



原理图轴装式直联式侧装式

技术特性表:
型 号DXF-100DXF-150DXF-200DXF-250
叶轮转速(r/min)2433243324332433
生产能力(m3/h)0.51.00.81.62.55.06.513
电机功率(kw)0.550.750.751.1
型 号DXF-300DXF-350DXF-400DXF-500
叶轮转速(r/min)2433243324332433
生产能力(m3/h)10.521163223.5473978
电机功率(kw)1.11.52.24
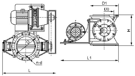
外型安装尺寸:
星形给料阀示意�?.jpg
型号D1DLHWnXd
DXF-1002452206502806208X18
DXF-1503002557103306508X22
DXF-2003553107803906808X22
DXF-25041537085047073012X22
DXF-30046542092055080012X22
DXF-35053048598060085016X22
DXF-4005955451140690100020X26
DXF-5007006501280820114020X26

型号D1DLHnXd
DXF-1002452209902808X18
DXF-15030025510203308X22
DXF-20035531011203908X22
DXF-250415370117047012X22
DXF-300465420124055012X22
DXF-350530485130060016X22
DXF-400595545141269020X26
DXF-500700650151282020X26
型号D1DHLL1nXd
DXF-1002452202805505008X18
DXF-1503002553306005558X22
DXF-2003553103907157568X22
DXF-25041537047081087012X22
DXF-30046542055086091012X22
DXF-35053048560095095016X22
DXF-40059554569098098020X26
DXF-5007006508201100109020X26

卫生型(可清洗):


星形给料阀

螺旋输送机

 
 
 
博亚体育app入口

COPYRIGHT © 2004 日本独资·博亚体育app入口 版权所有 苏ICP备05009106号

博亚体育app入口主要产品混合机_混合器_乳化机_搅拌机_分散机_阻火器_呼吸阀_输送机