过滤器,混合器-日本独资·博亚体育app入口!
HOME | EMAIL |  MAP
 
乳化机-博亚体育app入口产品展示
 
博亚体育app入口
博亚体育app入口
博亚体育app入口
博亚体育app入口
博亚体育app入口
博亚体育app入口
博亚体育app入口
博亚体育app入口
博亚体育app入口
 

     
  混合机_混合器_乳化机_过滤器_
袋式精细过滤器
  大野公司生产的袋式精细过滤器是由容器、滤袋、支撑网篮三部分构成一个简便、高效、通用的液体过滤系统。需要过滤的流体,由上口进入滤袋,液体中的固态物质会被阻留在袋内,从而得到清洁的流体,由于其使用简便,经济合理,因而广泛用语石油产品、化工产品、食品及饮料、污水等方面过滤。
  袋式精细过滤器具有高流通能力,高过滤精度,低成本,操作简便、快速等特点。适用于任何微细颗粒(少于1000ppm)的过滤,精度范围可从1至1000цm及1至1000m3/h流量的液体过滤。
袋式精细过滤器产品系列:
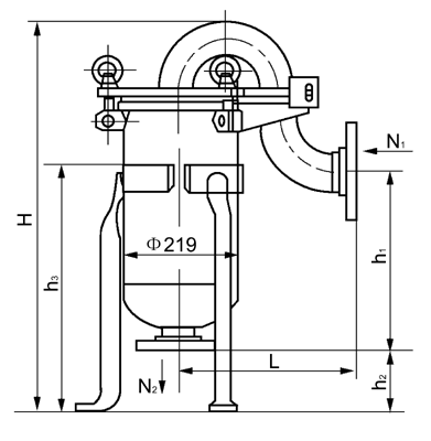
1、单袋式精细过滤器DJB-I型
博亚体育app入口
DRYE
博亚体育app入口
型号
流量m3/h
过滤面积m3
安装尺寸mm
H
L
h1
h2
h3
DJB-IA
18
0.24
965-1110
300
380
120-265
465
DJB-IB
36
0.48
1230-1725
300
710
0-495
695
注:表中所列流量以水为介质,设备工作压力≤1.0MPa,进出口接管规则:DN50、PN1.6。
2、多袋式型精细过滤器DJB-II
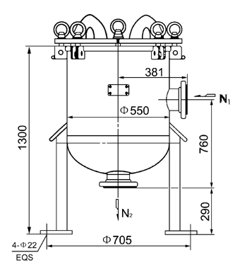
■四袋式精细过滤器DJB-4II
主要技术参数:
  工作压力≤1.0MPa
  工作温度≤200oC
  处理量:140m3/h(以水为介质)
  进出口接管规格:DN100、PN1.6
■五至八袋精细过滤器DJB-5-8II型
型号
流量m3/h
安装尺寸mm
H
h1
h2
h3
h4
L1
L2
D
DJB-5II
180
1800
780
580
200
300
340
520
Φ520
DJB-6II
216
DJB-7II
252
2050
780
790
290
300
260
500
Φ500
DJB-8II
288
3、并联式袋式精细过滤器DJB-III型
型号
流量m3/h
安装尺寸mm
H
h1
h2
h3
DJB-IIIA
36
1040-1190
500
210-360
695
DJB-IIIB
72
1175-1540
850
0-360
注:表中所列流量以水为介质,设备工作压力≤1.0MPa,进出口接管规则:DN65、PN1.6。
 
 
 
博亚体育app入口

COPYRIGHT © 2004 日本独资·博亚体育app入口 版权所有 苏ICP备05009106号

博亚体育app入口主要产品混合机_混合器_乳化机_搅拌机_分散机_阻火器_呼吸阀_输送机