| Y型过滤器 (DGY型のフィルタ) |
|
|
|
过滤器是从流体中分离固体颗粒杂质,提高产品纯度,保护设备 ( 压缩机、泵、仪表等 ) 安全工作的产品。
博亚体育app入口南通工厂生产的系列过滤器其强度和密封试验执行中国 HGJ532-91 系列标准 ,其种类有Y型、T型、锥型、篮式、罐型等。
接管形式有对焊连接、法兰连接和丝口连接。
壳体材质有碳钢、铸钢、各种牌号的不锈钢等。
|
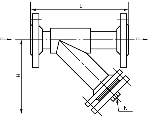
| 1、Y型同径法兰连接铸造式过滤器(DGYI-F型) |
|
| 公称直径DN |
安装尺寸MM |
管塞N |
| L |
H |
| 15 |
140 |
120 |
RC1/4 |
| 20 |
140 |
120 |
| 25 |
140 |
120 |
| 32 |
170 |
160 |
| 40 |
270 |
180 |
| 50 |
270 |
190 |
RC3/8 |
| 65 |
290 |
190 |
| 80 |
360 |
250 |
RC3/4 |
| 100 |
410 |
280 |
| 135 |
480 |
330 |
| 150 |
520 |
360 |
M20x1.5 |
| 200 |
660 |
450 |
|
图表(DN15-50、PN≤5.0MPa) |
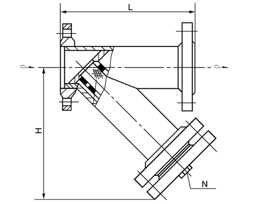
| 2、Y型法兰连接焊接式过滤器(DGYII-F型) |
|
|
| 公称直径DN |
安装尺寸MM |
管塞N |
| L |
H |
| 15 |
260 |
180 |
RC1/4 |
| 20 |
270 |
190 |
| 25 |
270 |
190 |
| 32 |
280 |
230 |
| 40 |
280 |
230 |
| 50 |
290 |
245 |
RC3/8 |
| 65 |
320 |
280 |
| 80 |
350 |
315 |
| 100 |
425 |
360 |
| 135 |
480 |
390 |
| 150 |
540 |
460 |
RC3/4 |
| 200 |
700 |
540 |
| 250 |
800 |
660 |
M20x1.5 |
| 300 |
950 |
750 |
| 350 |
1050 |
845 |
| 400 |
1250 |
920 |
|
| 3、Y型带夹套法兰连接焊接式过滤器(DGYJII-F型) |
|
| 公称直径
DN |
安装尺寸mm |
夹 套 |
管塞
N
|
| L |
H |
进口a |
出口b |
蒸汽压力 |
| 20 |
370 |
235 |
G1/2 |
G1/2 |
≤0.6MPa |
Rc1/4
|
| 25 |
370 |
235 |
G1/2 |
G1/2 |
| 32 |
390 |
275 |
G1/2 |
G1/2 |
| 40 |
390 |
285 |
G3/4 |
G3/4 |
| 50 |
420 |
295 |
G3/4 |
G3/4 |
Rc3/8 |
| 65 |
450 |
330 |
G3/4 |
G3/4 |
| 80 |
500 |
370 |
G3/4 |
G3/4 |
| 100 |
575 |
415 |
G3/4 |
G3/4 |
| 125 |
650 |
450 |
G3/4 |
G3/4 |
| 150 |
700 |
525 |
DN25 |
DN25 |
Rc3/4
|
| 200 |
890 |
610 |
DN25 |
DN25 |
|
| 4、Y型异径对焊连接焊接过式过滤器(DGYJII-W型) |
|
| 公称直径
DN1 X DN2 |
安装尺寸mm |
管塞
N |
| Φ1/δ1 X Φ2/δ2 |
L |
H |
| 80X65 |
Φ89/6.5 X Φ76/6 |
200 |
170 |
Rc3/8 |
| 100X80 |
Φ114/7 X Φ89/6.5 |
240 |
220 |
|
Φ108/7 X Φ89/6.5 |
240 |
220 |
| 150X100 |
Φ168/7 X Φ114/7 |
300 |
280 |
|
|
Φ159/7 X Φ108/7 |
300 |
280 |
| 150X125 |
Φ168/7 X Φ140/7 |
300 |
280 |
|
Φ159/7 X Φ133/7 |
300 |
330 |
| 200X125 |
Φ219/8 X Φ140/7 |
370 |
330 |
|
Φ219/8 X Φ133/7 |
370 |
330 |
| 200X150 |
Φ219/8 X Φ168/7 |
370 |
330 |
|
Φ219/8 X Φ159/7 |
370 |
330 |
| 250X150 |
Φ273/8 X Φ168/7 |
450 |
370 |
M20/1.5 |
|
Φ273/8 X Φ159/7 |
450 |
370 |
| 250X200 |
Φ273/8 X Φ219/8 |
450 |
370 |
| 300X250 |
Φ325/9 X Φ273/8 |
520 |
370 |
|
| |